最新文章
推荐文章
- 暂时还没有文章
新闻动态
取样冷却器,锅炉炉水取样冷却器(单个与并联)外形及参数说明?
发布时间:2023/7/10 点击次数:1679
取样冷却器,锅炉炉水取样冷却器(单个与并联)外形及参数说明?
取样冷却器,锅炉炉水取样冷却器(单个与并联)外形及参数说明?
一、取样冷却器,锅炉炉水取样冷却器产品简介
取样冷却器,锅炉炉水取样冷却器使用于温度较高的液体和气体等介质取样,具有结构紧凑、传热效率高、清
洗方便、使用寿命长等优点,广泛用于石油、化工、轻工、电力等部门的小型加热、换热冷
却器,也可作为油泵的自封冷却器。
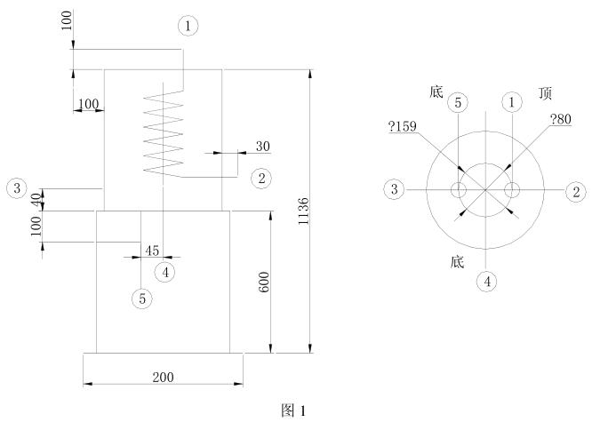
1、单一相取样冷却器(SCY-IA型)见图1,主要性能参数见表1,管口说明见表2。
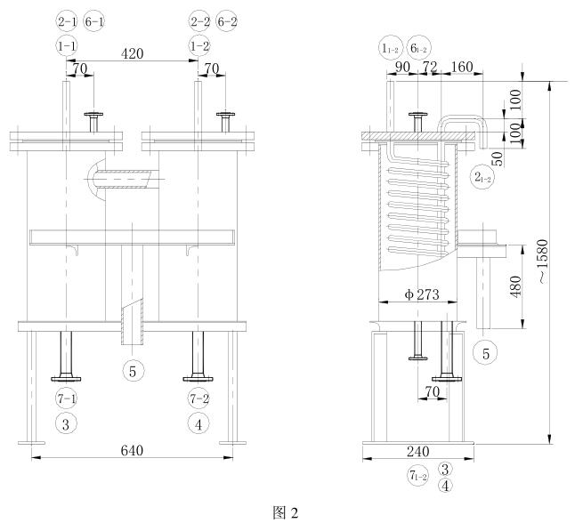
2、并双联取样冷却器(SCY-IB 型)见图2,主要性能参数见表3,管口说明见表4。
1、我公司生产的取样冷却器,其法兰标准采用JB标准,锥管螺纹采用GB7306-87标准,用户如采用GB、
HG、SH或ANSI、JIS等法兰标准,应在合同中注明。
2、客户应根据样本选择订货,当对盘管、壳体等有特殊要求时,应在订货合同中说明。
3、除样本列到产品外,我公司可根据用户需要,设计、制造符合特殊工艺要求的取样冷却器。
32070602010017