- 暂时还没有文章
除盐水在火电厂锅炉取样器(锅炉取样冷却器)中的应用,充分利用除盐水的特点(没有硬度),以除盐水代替循环水作为锅炉冷却器内循环冷却水,而且做功后再次重复利用,既保证火电厂锅炉样品的监督,又节约水资源。
1问题的提出
锅炉取样器(锅炉取样冷却器)用于发电厂内汽水化验取样冷却,分为炉水锅炉取样冷却器、蒸汽锅炉取样冷却器、给水锅炉取样冷却器、疏水锅炉取样冷却器、凝结水锅炉取样冷却器。取样冷却后对给水水质进行分析化验,锅炉及热力系统中的水大都温度较高,而高水温不便于取样,也不便于测定,在取样中应加以冷却,所以要把取样点的样品引进取样冷却器进行冷却,一般要求保证流量在500-700mL/min时,样品能冷却到30℃以下,满足中华人民共和国电力行业DL/T457—91的标准。锅炉取样冷却器管材均采用不锈钢管,不能用碳钢管或黄铜管,以免样品在取样过程中被导管中的金属腐蚀产物污染。
取样冷却器构造简单,外皮是一个圆桶,内部装有用不锈钢管弯成的蛇形管。冷却水从外圆桶的下部进入,由上部排出,样品水由蛇形管的一端进入,另一端流出。其流向和冷却水的流向相反,成逆流,这样冷却效果好。中间连接管由不锈钢管制成。传统设计安装的冷却水采用电厂循环冷却水,其水质较差,硬度达到950mg/L,碱度300mg/L。
因为锅炉蒸汽温度高达450℃,冷却至30℃。冷却水大量浓缩,生成水垢,粘附在冷却器蛇形管上,严重堵塞冷却器的进出水管。致使锅炉取样冷却器内部结垢,冷却水不循环,水样温度超标,不但使取样品水化验不准确,而且高温威胁取样人员人身安全,不利于安全生产。
2锅炉取样器(锅炉取样冷却器)采用原理与技术创新点
2.1锅炉取样器(锅炉取样冷却器)采用原理
(1)化学除盐水代替循环冷却水,因为其硬度为0mg/L,无论水样温度多高,冷却水都不会结垢,保证样品水的准确性,提高冷却效果。
(2)在就地取材,节约原材料的原则上,无需特制锅炉取样冷却器,普通锅炉取样冷却器就可以。在锅炉补水管搭接DN50的内防腐蚀管,连接至锅炉取样冷却器外圆桶的下部,出水端接在除氧器与疏水箱的连接管上。冷却水由下部向上流出,使水样畅通,样品水冷却效果得到保证。如图1所示。
图1管路连接图
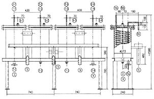
(3)充分利用锅炉取样冷却器的工艺原理。锅炉取样冷却器主要有取样管、锅炉取样冷却器和中间连接管。如图2示:外皮是一个圆筒,内部装有不锈钢弯成的蛇形管。冷却水从外圆桶的下部进入,由上部排出,锅炉水样由蛇形管的上部进入,循环后由上部流出。其流向与冷却水的流向相反,成逆流。冷却水在锅炉取样冷却器内部做功,使锅炉取样冷却器内部蛇形管内的样品水充分冷却后,再由锅炉取样冷却器上部排出,水量不会损失。
(4)图2锅炉取样器(锅炉取样冷却器)冷却管路系统图
2.2技术创新点
(1)除盐水是经过化学除盐(除去硬度)的水,水中没有钙镁结垢的离子,因此当水温升高时不会结垢。
(2)除盐水在锅炉取样冷却器内做功后再次返回疏水箱,没有损失掉,重复循环使用,既起到冷却作用,又节约水资源。
(3)取样冷却器内壁以及冷却水进出口端不会结垢,避免了因堵塞冷却器致使冷却器冷却效果下降导致的三个月左右停炉一次清理的维护工作。
通过对锅炉取样器(锅炉取样冷却器)内部冷却水的改造,杜绝了冷却水因高温浓缩结垢堵塞锅炉取样冷却器的弊端。杜绝了停炉检修锅炉取样冷却器的不安全隐患。杜绝因冷却器结垢造成高温伤害取样人员的威胁,保证了锅炉取样品水的准确性。降低了劳动强度。提高了经济效益。
32070602010017