- 暂时还没有文章
教你安装旋膜式除氧器上水调阀旁路系统的应用?
教你安装旋膜式除氧器上水调阀旁路系统的应用?华润电力有限公司630MW机组的旋膜式除氧器上水调阀设置存在一定的缺陷,曾多次出现阀芯脱落事件,通过对其进行分析寻找出根本原因,并介绍了我厂进行的小旁路系统的改造方案为兄弟电厂提供参考。
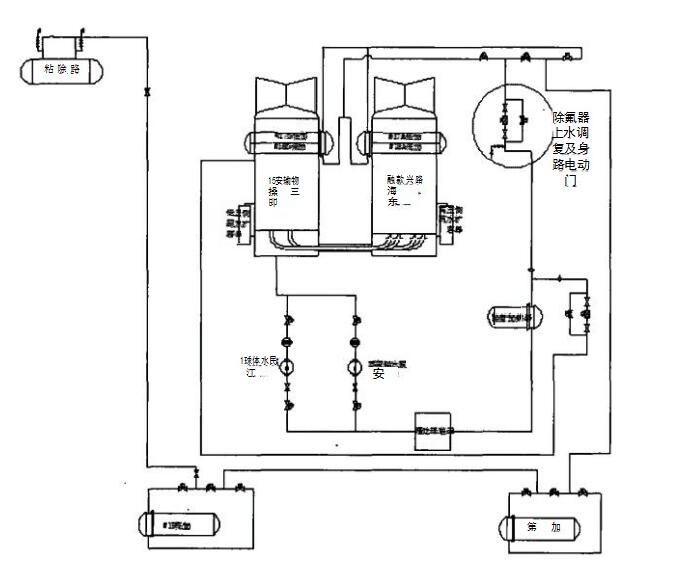
华润电力有限公司装机容量为2×630MW超临界机组,其凝结水系统设一台工频式和一台变频式100%容量的筒袋式凝结水泵,#5、#6、#7、#8四台低压加热器,一台轴封冷却器,一台旋膜式除氧器,一个300m3的凝补水箱和两台凝输泵。凝结水采用中压精处理装置。#7、#8低压加热器入口管道上设有调节阀,用以调节旋膜式除氧器水位。系统简图如图一所示。其中红色圆圈区域为旋膜式除氧器上水调阀设置情况。
图一华润电力有限公司630MW超临界机组凝结水系统简图
机组正常运行时,变频凝泵运行,工频凝泵备用。变频凝泵运行时,旋膜式除氧器水位利用变频泵的变频调速进行自动调节,旋膜式除氧器上水调门来保证凝结水母管压力,凝结水母管压力自动调节。低负荷时,利用关小上水调门来维持凝结水压力满足要求,确保凝结水供给其他辅助设备的安全运行。热控设定了负荷(或旋膜式除氧器压力)与凝结水母管压力对应函数,即凝结水母管压力设定值可根据机组负荷情况自动进行调整。
在这种运行方式下,我司曾发生过多起旋膜式除氧器上水调阀阀杆与阀芯脱落的不安全事件,这严重威胁到机组的安全稳定运行,我们必须要深入分析原因,采取措施从根本上消除隐患,防止此类不安全事件的再次发生。
旋膜式除氧器上水调阀阀芯脱落的原因分析
在下面我们对旋膜式除氧器上水调阀阀芯脱落的原因进行全面的分析,找出在机组正常运行中有哪些主要的诱发因素。事故发生过程中存在哪些共同点,从而为问题的解决提供思路。
旋膜式除氧器上水调阀在机组运行中存在的问题
通过运行观察,旋膜式除氧器上水调阀在机组运行中存在以下问题:
1、机组负荷在500MW以下时,为满足凝结水系统压力的需要,凝泵虽然投入变频,还需旋膜式除氧器上水调门参与调节来控制旋膜式除氧器水位旋膜式除氧器上水调阀开始逐渐向下关闭,机组负荷300MW时小关至30%,造成旋膜式除氧器上水调门处的局部阻力增大,节流损失也增大,同时旋膜式除氧器上水管道存在振动现象。
2、旋膜式除氧器上水管径较大,额定流量为1630T/H,机组负荷低于500MW时旋膜式除氧器上水调阀开始节流,此时阀芯前后的差压比较大,阀杆与阀芯连接处受到很大的应力。
3、经过统计我司凝结水系统多次发生旋膜式除氧器上水调阀阀芯脱落的同时旋膜式除氧器上水旁路电动门故障,远方无法操作,只能采取就地手动操作电动门,严重威胁到机组的安全运行。
我厂发生的旋膜式除氧器上水调阀阀芯脱落事件的共同点
1、旋膜式除氧器上水调阀阀芯脱落发生的时间点相同,都在机组降负荷旋膜式除氧器上水调阀向下关小的过程中。
2、旋膜式除氧器上水调阀阀芯脱落的位置相同,都是阀杆与阀芯连接销子断开,进而阀芯与阀杆连接的螺纹退让后阀芯脱落。
根据以上的分析,旋膜式除氧器上水调阀之所以会发生阀芯脱落情况是因为,旋膜式除氧器上水调阀在机组运行中,机组负荷500MW以下时节流大,管道就会产生较大的振动,此时调阀阀芯前后差压变得较大,使调阀阀芯与阀杆连接处受到很大的应力,从而造成连接销子断开,连接螺纹退让后阀芯脱开。
旋膜式除氧器上水调阀旁路系统优化解决
针对上面分析的原因,我司两台机组凝结水系统采取小旁路系统来解决旋膜式除氧器上水调阀节流量大,同时也可以减小旋膜式除氧器上水调阀的前后差压,从根本上消除旋膜式除氧器上水调阀阀芯脱落的诱因。
优化后的旋膜式除氧器上水调阀小旁路系统结构
通过优化的旋膜式除氧器上水调阀以及小旁路系统(如图二所示),在旋膜式除氧器上水调阀管道处加装了小旁路电动调阀管道,通流能力为950T/H(机组额定凝结水流量1630T/H),阀门内径DN250。
优化后的旋膜式除氧器上水调阀小旁路系统的控制调节
机组运行中,优化后的旋膜式除氧器上水调阀及旁路调阀均投入自动,均可调节凝结水压力,通过各门的压力设定即可改变相应门的开度。在设定这两个调阀的压力设定值时(我司采用的措施是旋膜式除氧器上水调阀设定值为1.6MPa,小旁路调阀设定值为1.4MPa),保持旋膜式除氧器上水调阀的压力设定值略大于小旁路调阀的压力设定值。这样可以保证机组在450MW以上时,旋膜式除氧器上水调阀及旁路调阀全开,变频凝结水泵通过调节转速来调节旋膜式除氧器水位和凝结水压力;在机组降负荷由450MW降至400MW过程中,旋膜式除氧器上水调节门先逐渐由100%关至0%,利用旋膜式除氧器上水调节门调节旋膜式除氧器水位及凝结水压力。在机组负荷由400MW逐渐降至300MW的过程中,旋膜式除氧器上水调阀已全关,旋膜式除氧器上水旁路调阀由100%逐渐关至65%,利用旋膜式除氧器上水旁路调阀调节旋膜式除氧器水位及凝结水压力;在机组从400MW以下加负荷过程中先逐渐开启旋膜式除氧器上水旁路调阀由65%开至100%后,旋膜式除氧器上水调阀再逐渐由0%开
至100%。
图二优化的旋膜式除氧器上水调阀小旁路系统
增加旋膜式除氧器上水调阀旁路系统后的效果确认
1、增加旋膜式除氧器上水调阀旁路系统后,机组负荷在450MW以上时,旋膜式除氧器上水调阀及旋膜式除氧器上水旁路调阀全开,增加了通流面积,节流损失减小,在额定负荷630MW时凝结水母管压力从改造前2.56MPa降至2.36MPa,凝泵电流从改造前154A降至145A。
2、增加旋膜式除氧器上水调阀旁路系统后,机组负荷在400MW以下时,旋膜式除氧器上水调阀已全关,旋膜式除氧器上水旁路调阀节流调节旋膜式除氧器水位及凝结水压力,由于旋膜式除氧器上水旁路管径小,节流量小,局部阻力小,彻底消除了之前旋膜式除氧器上水调阀凝结水管路低负荷时的振动现象。
3、增加旋膜式除氧器上水调阀旁路系统后,在机组各个负荷段,旋膜式除氧器上水旁路调阀始终由65%至100%的开度,彻底消除了旋膜式除氧器上水调阀在调节过程中节流产生的前后差压,同时减少了旋膜式除氧器上水调阀的节流量,减小旋膜式除氧器上水调阀所受的应力。
4、增加旋膜式除氧器上水调阀旁路系统后,旋膜式除氧器上水调阀提供了旋膜式除氧器上水的安全性,在旋膜式除氧器上水调阀和旁路电动门同时故障时,可以保证旋膜式除氧器不断水。
5、增加旋膜式除氧器上水调阀旁路系统后,我司变频凝结水泵低安全运行转速由原来厂家设定的1000RPM降低至950RPM(通过与厂家多次商议,结合实际运行情况得出的低安全运行转速),在机
组负荷300MW时,变频凝结水泵电流由原来的65A降至54A。
6、增加旋膜式除氧器上水调阀旁路系统后,我司再从未发生旋膜式除氧器上水调阀阀芯脱落事件。
旋膜式除氧器运行时的注意事项
1、旋膜式除氧器上水旁路调节门逻辑:锅炉MFT时,强制关闭(无论旋膜式除氧器上水旁路自动还是手动),MFT复归后方可单操。当锅炉发生MFT时,旋膜式除氧器上水旁路调阀可以及时快速关闭,切断旋膜式除氧器上水防止旋膜式除氧器水位高或满水。
2、在旋膜式除氧器上水旁路调阀单独运行时凝结水母管压力设定值不应大于2.3MPa,保证旋膜式除氧器上水旁路调阀小开度不能小于30%,如果小于30%调阀会出现卡涩情况,不利于调节。
3、通过两门的压力设定值不同从而改变两门的开度不同,保证旋膜式除氧器上水调阀压力设定值略大于旋膜式除氧器上水旁路调阀设定压力值。
通过旋膜式除氧器上水调阀旁路系统的优化改造之后,我司没有再次发生旋膜式除氧器上水调阀阀芯脱落的事件。同时变频凝结水泵的转速和电流较改造之前有所下降,达到了节能降耗的目的。希望通过我司旋膜式除氧器上水调阀旁路系统的改造为有类似问题的兄弟电厂提供解决问题的参考和借鉴。
32070602010017