- 暂时还没有文章
旋膜式除氧器机组出口参数缺失应用分析
旋膜式除氧器机组出口参数缺失应用分析。机组的热经济性分析是火电厂热力系统性能检测的有效工具,对热力系统进行热经济性分析能够更为准确地了解机组耗能的指标,降低能耗,对火电厂的节能减排工作有着十分重要的意义。
在实际工作的过程中,由于包括除氧器出口水温不设有测点等在内的多种因素的影响,火电厂存在着不同程度的参数缺损现象,在使用能效分布矩阵方程对热力系统热经济性进行分析时,难以保证计算的准确性。在介绍除氧器及火电厂能耗的在线监测与分析技术的基础上,对旋膜式除氧器出口缺损环境下的汽轮机组热经济性分析的方法进行了探讨,以国产CC159/N200-12.7/535/535型号的汽轮机为例,验证了这一热经济性分析方法的正确性。
旋膜式除氧器是现代火电厂锅炉及供热系统中的关键设备之一,它主要是通过利用水位差将凝结水及补充水喷向内控形成射流,由射流运动吸热产生混合加热作用形成水膜裙,使水温达到饱和状态,从而将给水中溶解的氧气及其它气体分离出来,达到除氧的效果,以防止和降低锅炉给水中的气体对管道、省煤器及其他附属设备造成的腐蚀。
目前,中国为先进的旋膜式除氧器是旋膜式除氧器,这是一种新型热力式除氧器,它不仅能去除水中溶解的氧气,还能去除水中游离的二氧化碳、硫化氢等对金属具有腐蚀性的气体,除氧的效率较高,给水也可常温,在室温条件下,出水仍能达到要求,且除氧后不会给水增加含氧量或其它杂质,对保证锅炉给水质量,防止设备腐蚀有着十分重要的作用和意义。但在实际的工作中,旋膜式除氧器出口一般不会设有水温测点,这就导致了机组热经济性分析时参数的缺损,给机组热经济性的分析带来了一定的困难。
1火电厂能耗的在线监测与分析技术
随着中国经济的发展,对能源的需求量也越来越大,化石能源的大量需求,使得中国的面临的能源危机日益加剧,虽然近年来以开发了包括风能、太阳能在内的多种新能源,但目前中国的能源结构还是以煤为主,电力工业的发展仍是以燃煤的火力发电为主,电力工业的节能减排形势依旧十分严峻。
在火电厂节能减排的工作中,通过将计算机与数据采集系统相结合,通过对系统各种热工量进行实施显示和历史性数据追忆,并运用先进的热工技术和实时参数对系统进行计算和分析的火电厂能耗的在线监测与分析技术能够有效地对火电厂热力系统热经济性进行分析,对火电厂节能减排工作有着十分重要的意义。
但在应用这一技术时,使用的能效分布矩阵方程需要有精确的测点数据作为参数来进行热经济性分析,这次参数直接影响着计算过程和计算结果,对系统的设计优化、运行、维护等都有着十分重要的意义,因而就需要这些参数尽可能地做到准确无误,但在实际工作的过程中,当前的火电厂中普遍存在着由于旋膜式除氧器出口水温不设有测点、排汽焓现有的仪器难以做到准确测量等造成的参数不准确的问题,对火电厂机组热经济性分析的准确性产生了很大的影响,因此,就需要建立一种适用于参数缺损环境下的计算模型,来对机组热经济性进行分析。
2旋膜式除氧器出口参数缺损环境下的热经济性分析
热经济性分析是火电厂热力系统性能检测的有效工具,其方法很多,有常规热平衡法、循环函数法、等效热降法、组合结构法、循环组合法、功能分析法、热力系统平衡的拓扑计算、自由路径法、质量单元矩阵分析法等多种类型,目前应用较为广泛的是常规热平衡法、循环函数法、等效热降法。通过对机组的热经济分析,能够更为准确地了解机组耗能的指标,降低能耗,提高火电厂运行管理水平。
2.1热经济性分析方法
2.1.1常规热平衡法
常规热平衡法是热力系统分析时基本的计算方法,它所写的能量平衡方程式本质上是对热力系统的子系统而写的,是一种串联算法,通过写出能量平衡方程式后将方程式联立求解得出计算结果,这种算法是单纯的汽水流量和能量平衡方法,因此计算的结果精度是所有热力系统热经济分析中方法中高的,通常在进行热经济性分析时,会按照这一方法的计算结果对其他方法进行校验。但是此方法在实际应用时有一定的局限性,通用性不强,不能大范围地应用。
2.1.2等效热降法
等效热降法是一种新的热工理论,应用时是在新蒸汽流量和循环初终参数及汽态线不变的前提下以内功率的变化来对热力系统进行热经济性的分析的,这种方法简化了整个系统的复杂运算,在对实际热力系统的近似处理中应用较为广泛。
2.1.3循环函数法
循环函数法是基于“加热单元”的概念提出的,是一种新型的热力系统的热经济分析方法,它利用循环函数式来对热经济性进行定量计算,既简化了系统的整体计算,也能解决单项经济指标的分析,且通用性较好,但应用时对使用者的业理论知识有着较高的要求。
2.2除氧器出口参数缺损环境下的热经济性分析
2.2.1能效分布矩阵方程
能效分布矩阵方程是一种热力系统热经济性的矩阵分析方法,它是针对当前各种热力系统热经济分析方法中存在的问题而分析研究得出的,通过构建主系统的热经济性矩阵计算模型,将实际的热力系统转化为了单一的主系统,简化了计算,在热力系统的节能降耗分析中有着较为显著的推广意义。但在除氧器出口参数缺损的环境下,为了保证计算结果的准确性,就不能直接利用数据完备时的能效分布矩阵方程,而需要对热力系统结构进行重新划分,重新构建起适用于旋膜式除氧器出口参数缺损环境下的机组热经济性分析的能效分布矩阵方程。
2.2.2旋膜式除氧器出口参数缺损时热力系统的结构划分
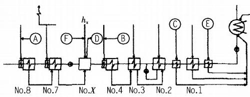
在旋膜式除氧器出口参数缺损的情况下,对热力系统进行重新的结构划分是对相邻加热器的归并处理。其处理方法简单来说即是将某一级的除氧器与其高一级的加热器合并在一个边界内为x级加热器,这两个加热器的抽汽合并为一股,将其定义为抽汽焓,即为h?o以国产CC159/N200-12.7/535/535再热机组为例,通过重新划分结构后的机组系统如下图1所示:而通过分析,得知在使用矩阵分析法进行计算时,由于h.是未知数,相应加热器的抽汽放热量也是未知数,因而就需要建立编程来求得h?的值。
2.2.3旋膜式除氧器出口参数缺损环境下的神经网络模型的构建
人工神经网络是一种应用类似大脑神经突触联结的结构进行信息处理的数学模型,是由大量的节点(神经元)和之间相互联接构成的一种运算模型。人工神经网络是基于现代神经科学的研究成果建立起的非线性、非局限性、非常定性和非凸性的自适应信息处理系统,能通过模拟大脑神经网络处理、记忆信息的方式进行信息处理。具有部分神经元损坏时不影响系统整体性能、输入信息模糊、残缺或变形时能通过联系恢复完整记忆,对不完整的信息进行正确的识别,给出次优的逼近解。
由于旋膜式除氧器出口参数缺损导致了热经济性能分析时的参数不完全,在利用能效分布矩阵分析方法,对系统结构重新划分后定义的抽汽焓是在参数缺损环境下得到了,不能确切得出其所对应的温度、压力,所找到的不是各因素之间的函数关系,而是相关的影响因素,但在热力系统的分析中,并不需要这些因素的影响过程,而只求得终结果即可,因此可以利用人工神经网络非线性信息处理能力对这一问题进行处理。
在实际工作中,火电厂的各个抽汽参水测点一般均具备,且与其工况下的主蒸汽、再热蒸汽等参数有着一定的关系,因此在构建神经网络模型时,将这些参数作为输入参数,采用线性传递函数作为输出层,同时选取两个隐层,具体的网络结构如下图2所示:
构建起神经网络结构后,通过使用门以矩阵方式来处理计算机数据的MATLAB(MatrixLaboratory)编程语言对机组试验报告进行处理,权值和阀值,进而得出h?的值,将其带入到旋膜式除氧器出口参数缺损环境下的能效分布矩阵方程中,从而得出整个热力系统的循环效率。
在进行数据处理时,流量D、发电量W及焓值h?的计算公式分别为:
(1)
(2)
(3)
式(1)中D为流量小值;D(2)中W、W分别应发电量大值和小值;式(3)中h。为再热蒸汽焓值,h。为汽轮机排汽压力对应的饱和蒸汽焓值。
基于人工神经网络的非线性信息处理能力建立起的神经网络计算模型,能够实现在旋膜式除氧器出口参数缺损时的热力系统的热经济分析,以国产CC159/N200-12.7/535/535型号的汽轮机实际工作中的各参数作为数据,利用建立起的计算模型进行计算,其计算结果与参数完备时的系统循环效率计算结果相比较,两者的绝对误差只有0.00141,验证了这一矩阵分析法的正确性。
32070602010017