- 暂时还没有文章
一种发电厂汽水取样冷却器装置及真空除氧器排气回收装置系统说明
一种发电厂汽水取样冷却器装置及真空除氧器排气回收装置系统说明,发电厂汽、水取样及真空除氧器排气回收装置排气损失回收技术领域,确切地说是一种发电厂汽、水取样工质热量及真空除氧器排气损失回收系统。
为了监测和控制汽轮发电机组汽、水品质,发电厂一般都设有汽、水取样分析系统。由于锅炉及热力系统中的汽、水大多温度较高,而高水温不便于取样化验,为此发电厂的汽、水取样分析系统必须设计冷却装置。现有技术火力发电厂常见的汽水取样冷却系统有开式、闭式两种循环模式。所述开式循环是通过取样冷却水泵抽取凝汽器补水箱内的除盐水供给取样冷却器装置,再回到凝汽器补水箱。
其缺点是:取样冷却系统回水导致凝汽器补水箱内水温升高,进而导致取样冷却器装置冷却效果较差;另外,较高温度的除盐水补入凝汽器会影响凝汽器真空,降低机组的经济性。所述闭式循环则设有一个独立的取样冷却水箱,通过取样冷却水泵抽取其中的除盐水供给取样冷却器装置,其回水经过表面式换热器降温后,再回到取样冷却水箱;所述表面式换热器的冷却介质取自主机冷却水系统。其缺点是:取样汽、水工质携带的热量被开式冷却水带走,进入主机循环水系统,终通过冷却塔排入大气;其次,也增加了开式循环泵及冷却塔负荷,不利于主机循环水降温,影响机组的凝汽器真空。
为了解决现有技术发电厂热力系统汽水取样工质热量未回收或回收效果差导致的取样冷却水温度升高、取样工质冷却不充分及较高温度的取样冷却水回水补入凝汽器对凝汽器真空造成不利影响等问题,兼顾回收真空除氧器排气造成的热损失和凝结水损失,本实用新型提供了一种发电厂汽、水取样工质热量及真空除氧器排气损失回收系统。
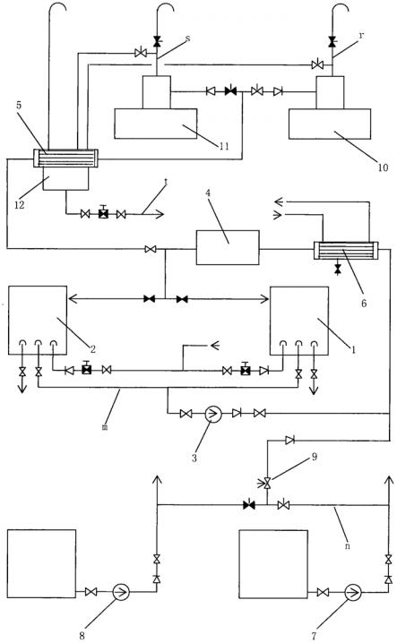
技术问题所采用的技术方案是:一种发电厂汽、水取样工质热量及真空除氧器排气损失回收系统,包括:A机组凝汽器补水箱(1)、B机组凝汽器补水箱(2)、取样冷却水泵(3)、取样冷却器装置(4)、真空除氧器排气损失回收装置(5)、风冷器(6)、A机组凝结泵(7)、B机组凝结泵(8)、减压阀(9)、A机组真空除氧器(10)、B机组真空除氧器(11)、疏水箱(12),其特征在于:取样冷却器装置(4)入口连接于A机组凝结泵(7)与B机组凝结泵(8)出口管道之间的联络管n上,连接管道上设有减压阀(9)、风冷器(6);取样冷却器装置(4)冷却水出水管分别与A机组凝汽器补水箱(1)、B机组凝汽器补水箱(2)及真空除氧器排气损失回收装置(5)进水端连接;真空除氧器排气损失回收装置(5)出水管与A机组真空除氧器(10)、B机组真空除氧器(11)连接;真空除氧器排气损失回收装置(5)汽侧分别与A机组真空除氧器排气管r及B机组真空除氧器排气管s连接;与真空除氧器排气损失回收装置(5)连接的疏水箱(12)底部还设有疏水管t与较低等级的凝结水加热器汽侧连接;取样冷却水泵(3)入口连接于A机组凝汽器补水箱(1)与B机组凝汽器补水箱(2)之间的联络管m上,出口则连接于风冷器(6)进水管。
与现有技术比较其有益效果是:
a、采用凝结水作为取样冷却器装置的日常冷却水,克服了现有技术取样冷却器装置开式循环冷却系统采用除盐水循环使用冷却效果差、凝汽器补充除盐水温度升高导致凝汽器真空降低--机组经济性降低等弊端。
b、取样冷却器装置采用凝结水作为冷却水时,其回水经过真空除氧器排气(汽)的二次加热再回到真空除氧器受到真空除氧器工作汽源的三次加热,既使得真空除氧器排气(汽)与取样汽、水工质的热量得到了回收,同时真空除氧器排气携带的水蒸汽也被凝结回收,并作为较低等级凝结水加热器的补充热源;据有关材料介绍:河北某热电有限公司1台200MW高温、高压双抽双排汽凝汽式机组,真空除氧器年总排放热量为31266GJ,折合标煤为1066吨,高压真空除氧器加装余汽回收装置后,综合工质、热量两项效益,每年可节约生产成本约28万元。
c、取样冷却器装置除了邻机凝结水作为一路备用冷却水,还有与现有技术兼容的由取样冷却水泵提供的一路除盐水备用冷却水,在保证取样冷却水系统运行可靠性的前提下,取样冷却水泵退出运行,只作紧急备用,既节电又减少了设备维护工作量(300MW机组两机共用系统,1台15kw的取样冷却水泵备用一年约可以节电13.14万度)。
d、取样冷却器装置入口设置风冷器可以进一步降低冷却水温,获得更好的冷却效果,为汽、水质量分析提供有利条件,且该风冷器无需设置独立冷却风机,而可直接引自锅炉密封风机等,且将其热风回收利用,因而既没有增加风机电耗,也没有损失热量。总之,本实用新型将发电厂汽水取样冷却器装置、真空除氧器排气损失回收装置与凝结水系统有机地连接在一起,在改善开式循环汽水取样冷却效果、提高汽水取样冷却系统运行可靠性的同时,取得了节水、节电、回收热量等多重经济效益。
图1为汽水取样冷却器装置及真空除氧器排气回收装置系统原理示意图。
图中:1-A机组凝汽器补水箱,2-B机组凝汽器补水箱,3-取样冷却水泵,4-取样冷却器装置,5-真空除氧器排气损失回收装置,6-风冷器,7-A机组凝结泵,8-B机组凝结泵,9-减压阀,10-A机组真空除氧器,11-B机组真空除氧器,12-疏水箱。
32070602010017