TD型锅炉消声器、锅炉消声器、低压通孔消声器:用于各种0.16Mpa以下的锅炉、除氧器、背压式汽轮机及其余电站辅机装置的蒸汽排汽消声,由表1、2选型。

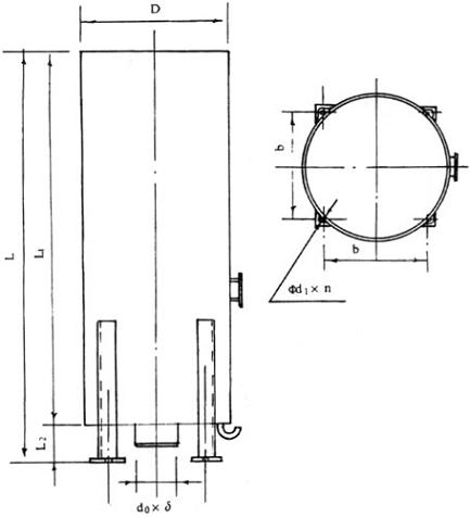
TD型消声设备外形例图

TD型锅炉消声器消声设备安装例图
1、背压式汽轮机消声器(TDb系列) 表1
|
型 号 |
外 型 尺 寸 |
底 座 螺 孔 |
接 管 规 格 |
用 途 | ||||
|
总 长 |
外壳高度 |
壳体外径 |
孔 距 |
孔 径 |
孔 数 | |||
|
L |
L1 |
D |
b |
d1 |
n |
do×δ | ||
|
TDb-5-20 |
1600 |
1400 |
706 |
479 |
20 |
4 |
325×6 |
背压、手动及安全门排汽 |
|
TDb-5-50 |
2200 |
2000 |
757 |
532 |
23 |
4 |
377×6 | |
|
TDb-10-20 |
1650 |
1450 |
706 |
479 |
20 |
4 |
325×7 |
抽汽、手动及安全门排汽 |
|
TDb-10-50 |
2300 |
2100 |
806 |
566 |
23 |
4 |
426×8 | |
|
TDb-14-20 |
1700 |
1500 |
706 |
479 |
20 |
4 |
325×7 | |
|
TDb-14-50 |
2400 |
2200 |
806 |
566 |
23 |
4 |
426×8 | |
说明: 1、表1产品外型例图均参见图1;
2、当用户排汽接管规格与表不符时,外型尺寸将与表有所变化;
3、热力设备之蒸汽排放对象种类繁多,本厂将根据用户所提出的排汽量、蒸汽压力及接管尺寸设计制作各种规格的消声器。
2、高压除氧器排汽消声器(TDY系列) 表2
|
型 号 |
外型尺寸 |
底座尺寸 |
接管规格(参考) |
配套汽轮机型号 | ||||||
|
本体高度 |
接管高度 |
外径 |
弯管半径 |
底座高 |
孔距 |
孔距 |
钻孔 | |||
|
L |
L1 |
D |
R |
L2 |
a |
b |
Φd-n |
do×δ | ||
|
TDY-6-220/8 |
1700 |
100 |
325 |
300 |
800 |
100 |
410 |
20-4 |
76×4 |
N50 |
|
TDY-6-420/15 |
1700 |
100 |
325 |
300 |
800 |
100 |
410 |
20-4 |
89×4 |
N100、N125 |
|
TDY-6-670/24 |
1900 |
100 |
377 |
350 |
1000 |
120 |
460 |
20-4 |
133×4.5 |
N200 |
|
TDY-6-1000/35 |
2000 |
150 |
402 |
380 |
1000 |
140 |
500 |
23-4 |
159×4.5 |
N300 |
|
TDY-6-1000/35 |
2000 |
150 |
402 |
380 |
1000 |
140 |
500 |
23-4 |
159×4.5 |
N600 |